Philips BSN 400 K407-ITS 230/240V 50Hz BC3-166
Hilfe benötigt?
Kontaktieren Sie unsere Lichtexperten für eine kostenlose Beratung.- Kostenloser Versand ab 150 € inkl. SteuernKostenloser Versand ab 125 € exkl. Steuern
- Geschäftskunde? Kauf auf Rechnung
- Einfache Rücksendung innerhalb 14 Tagen
Technische Daten
|
i
Bitte beachten Sie: Es handelt sich hierbei NICHT um die Liefermenge! Die “Menge in der Originalverpackung” bezieht sich auf die Anzahl an Produkten, die vom Hersteller zusammen vorverpackt wurden. Wenn Sie diese Menge an Produkten bestellen, liefern wir Sie Ihnen in der Originalverpackung des Herstellers.
|
Originalverpackung | 2 |
|---|
| Artikelnummer | 180341 | |
|---|---|---|
| EAN | 8711500881571 | |
| Marke | Philips | |
| Herstellername | BSN 400 K407-A2-ITS 230/240V 50Hz BC3 | |
|
i
Unsere All-In-Garantie ist im Preis des Produktes enthalten. Sie tritt bei versteckten Mängeln oder technischen Defekten in Kraft, die vor der Lieferung eingetreten sind. Je nach Produkt beträgt die Garantiezeit zwischen 1 und 7 Jahre.
|
Beleuchtungdirekt All-in Garantie | 1 Jahr |
|
i
Die “Technologie” einer Lampe bezeichnet die Art und Weise, wie sie Licht erzeugt. Die effizienteste und populärste Methode ist dabei LED: Andere Technologien nutzen zum Beispiel Halogenlampen, Gasentladungslampen, TL-Röhren (Leuchtstoffröhren) und die klassische Glühbirne.
|
Technologie | Zubehör |
|---|---|---|
| Geeignet für | CDM, CDO, HPI, MH, SON | |
| EVG für den Lampentyp | CDM, CDO, HPI, MH, SON | |
|
i
Wenn Sie Ihre Lampen dimmen, muss für dessen Betrieb nicht so viel Energie aufgewandt werden. Sie sparen somit Energiekosten! Zudem können dimmbare Lampen dazu eingesetzt werden, eine gemütliche Atmosphäre zu erschaffen. Bitte beachten Sie: Um LEDs zu dimmen, benötigen Sie einen LED-Dimmer.
|
Dimmbar | Nicht dimmbar |
| Anzahl benötigter Lampen | 1 | |
| Sensortyp | Kein Sensor | |
|
i
Der Produkttyp gibt Ihnen an, wobei es sich bei Ihrem Produkt handelt (z.B. eine LED-Röhre, eine Wannenleuchte oder ein LED-Strahler).
|
Produkttyp | Zubehör - Vorschaltgerät HID |
| EOC8 | 88704400 | |
|---|---|---|
| Produktserie | BSN 400 |
Beschreibung Philips BSN 400 K407-ITS 230/240V 50Hz BC3-166
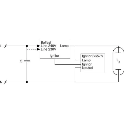
Das Philips BSN 400 K407-ITS 230/240V 50Hz BC3-166 Vorschaltgerät ist speziell für CDM, CDO, HPI, MH, SON Entladungslampen entwickelt. Das Produkt ist ein sehr robustes, nicht dimmbares elektronisches Vorschaltgerät für die Außenbeleuchtung. Diese überaus effiziente Lösung eignet sich insbesondere für Anwendungen, in denen eine sehr lange Lebensdauer erforderlich ist.
Die wichtigsten Vorteile auf einen Blick:
- 1 Jahr All-in-Garantie
- Lampenspannung 230 V
1 Jahr All-in-Garantie
Das Vorschaltgerät kommt mit einer einjährigen All-in-Garantie daher.
Lampenspannung 230 V
Bitte achten Sie darauf, dass die verbauten Lampen eine Spannung zwischen 230 Volt besitzen.
Sie möchten eine große Geschäftsbestellung aufgeben? Kontaktieren Sie uns per Telefon oder über unser Kontaktformular - wir melden uns schnellstmöglich mit einem auf Sie zugeschnittenen Angebot zurück.